Держатель вала SH30
Легкий дюралюминиевый держатель вала SH30 (или SK30) подходит для полированных валов диаметром 30 мм, который предназначен для создания автоматизированных систем и станков ЧПУ различной сложности. Так же его можно использовать при проектировании и конструировании 3D-принтеров. Держатель полированного вала SK30 необходим для жесткой и надежной фиксации направляющих 30 мм, по которой движется каретка. Обеспечив требуемую жесткость можно гарантировать высокую точность при перемещении каретки, а так же использование опор позволит избавиться от нежелательных вибраций. Держатель SH30 имеет простые и надежные крепления, через которые он фиксируется параллельно опорной плоскости. Фиксация вала производится с помощью зажимного винта в верхней части держателя.
При создании станков с ЧПУ, 3Д принтеров и других установок могут использоваться полированные направляющие различного диаметра. В соответствие с этим производители выпускают широкий ассортимент держателей с посадочным отверстием определенного диаметра. Все держатели имеют доступную цену и отличаются великолепными прочностными характеристиками.


Технические характеристики SH30 (SK30)
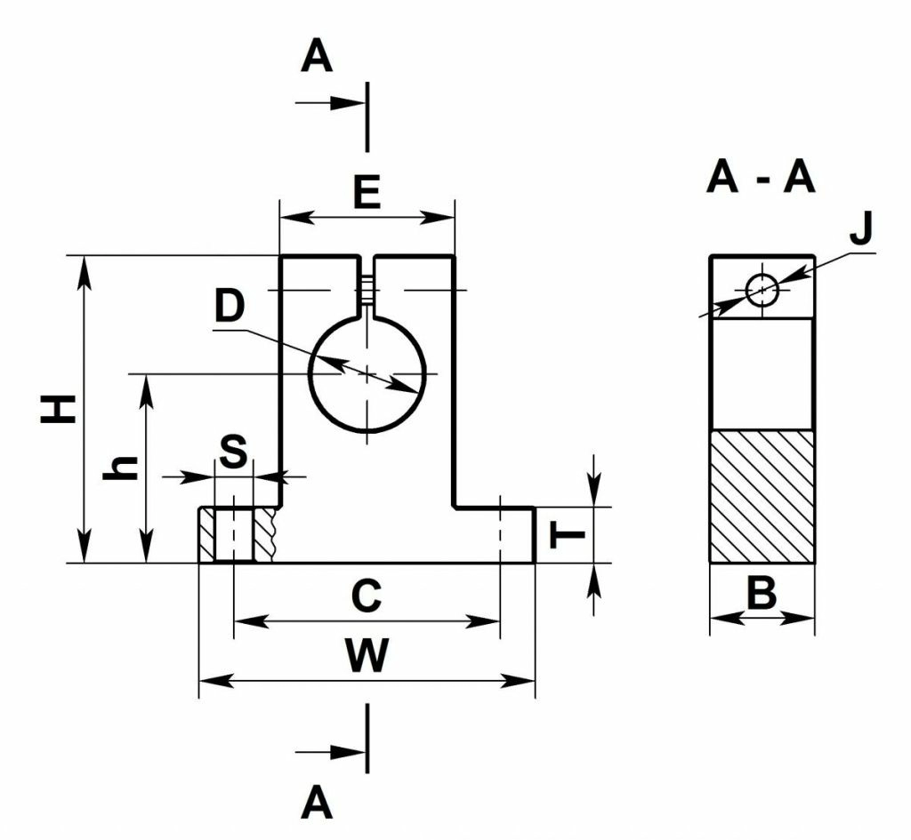
Держатель вала SH30 имеет следующие технические характеристики:- Материал – сплав алюминия;
- Внутренний диаметр – 30 мм;
- Размеры зажимного болта – М6;
- Диаметр монтажных отверстий – 9 мм;
- Вес – 180 г.

| Модель | D | S | W | B | C | E | H | h | T | J | m(кг) |
| SH8 | 8 | 5,5 | 42 | 14 | 32 | 18 | 32,8 | 20 | 6 | M4 | 0,024 |
| SH10 | 10 | 5,5 | 42 | 14 | 32 | 18 | 32,8 | 20 | 6 | M4 | 0,024 |
| SH12 | 12 | 5,5 | 42 | 14 | 32 | 20 | 37,5 | 23 | 6 | M4 | 0,030 |
| SH16 | 16 | 5,5 | 48 | 16 | 38 | 25 | 44 | 27 | 8 | M4 | 0,040 |
| SH20 | 20 | 6,6 | 60 | 20 | 45 | 30 | 51 | 31 | 10 | M5 | 0,070 |
| SH25 | 25 | 6,6 | 70 | 24 | 56 | 38 | 60 | 35 | 12 | M6 | 0,130 |
| SH30 | 30 | 9 | 84 | 28 | 64 | 44 | 70 | 42 | 12 | M6 | 0,180 |
| SH35 | 35 | 11 | 98 | 32 | 74 | 50 | 82 | 50 | 15 | M8 | 0,270 |
| SH40 | 40 | 11 | 114 | 36 | 90 | 60 | 96 | 60 | 15 | M8 | 0,420 |
Единицы измерения: мм
3D-модель SH30 для проектирования
Если вы не хотите с нуля проектировать держатель вала SH30, то можем посоветовать сайт с большой базой уже готовых 3Д моделей, вот несколько ссылок на данную модель:- https://grabcad.com/library/sk-series-shaft-holder-sk3-sk60-1
- https://grabcad.com/library/shaft-support-sk-1
Комплектация
- Держатель вала серии SH30 х1 шт
Способы оплаты
Наличными
Заказ можно оплатить наличными, по факту получения товара курьеру или при самовывозе.Безналичный расчет для физ лиц
При самовывозе или оформлении в интернет-магазине: карты МИР, Visa и MasterCard.
После подтверждения менеджером заказа, вы получите ссылку на для оплаты на указанную при оформлении заказа почту.
Письмо ссылкой придет с почты info@3d-diy.ru.
Также, вы можете оплатить заказ в личном кабинете.
Безналичный расчет для юр лиц
При оформлении заказа заполните поле "Реквизиты" или пришлите реквизиты нам на почту info@3d-diy.ru.
Мы свяжемся с вами, подтвердим наличие товаров, выставим счет.
Доставка будет осуществляться только после поступления оплаты.
Пожалуйста, уведомите нас о факте оплаты по почте.
Способы доставки
Самовывоз
Вы можете забрать свой заказ самостоятельно в часы работы офиса (пн-пт 11:00-19:00)
по адресу Москва, Павловская улица, 27с7 (м Тульская).
Ознакомьтесь со схемой прохода/проезда в разделе Контакты.
Въезда на территорию на авто недоступен. Машину можно оставить рядом на городской парковке.
Вход на территорию свободный, через проходную в строение №1, ОАО "Искра". Охране надо сказать, что направляетесь в "Тридиай".
Курьерская доставка
Доставка курьером доступна только по Москве. Вы можете выбрать срочную или обычную доставку курьером.
Срочная доставка курьером осуществляется в день заказа при условии, что заказ был оформлен до 14.00.
Срок обычной доставки составляет 1-2 дня: если заказ был оформлен до 17.00, то на следующий день, иначе через 1 день.
Заказы, оформленные во второй половине дня в пт будут доставлены в пн.
Время доставки
- пн-пт
- сб-вс (по договоренности, если заказ был оформлен в будни)
- в праздничные дни — не осуществляется
Наш специалист проверит наличие товаров и свяжется с вами, обсудит удобное время доставки, уточнит адрес.
Почтой и Транспортными компаниями
Доставляем заказы по России: Почтой РФ, СДЭК, Деловыми линиями.
Срок доставки зависит от вашего населенного пункта и будет рассчитан автоматически при оформлении заказа.











































