Оптопара
Содержание
Во втором случае излучатель светит всегда, но мы контролируем наличие или отсутствие препятствий между источником и приемником.
Третий тип консольный. Излучатель не светит непосредственно на приемник, но приемник все равно в состоянии уловить этот свет, если тот удачно отразится от какой-либо поверхности.
Закрытый оптрон полностью соответствует своему названию и представляет собой “черный ящик” со входом и выходом.
Показательным примером использования закрытого оптрона является управление реле. Каким бы ни было напряжение на силовой части, на сигнальную сторону никаких вредных воздействий не будет, даже если само реле сгорит от перегрузки или короткого замыкания.
Более совершенным подвидом закрытых оптронов являются их цифровые братья. Они сразу предоставляют готовый сигнал на выходе, толерантны к большим диапазонам напряжений, уже имеют на борту элементы бинарной логики и намного быстрее реагируют. Время срабатывания исчисляется наносекундам, в отличие от микросекунд у традиционных вариантов. Иногда это преимущество очень существенно, особенно если речь идет скоростной передачи данных.
Кроме этого, важным отличием открытых оптронов от предыдущих видов является возможность регулировки чувствительности приемника. Если у закрытых и щелевых все просто: свет либо есть, либо его нет, то для открытых его может быть много или мало, а условную границу того, что считать “белым”, а что “черным”, можно слегка подкручивать вручную. Причем делать это в прямом смысле, вращая потенциометр отверткой. Для датчика препятствий физически это означает расстояние до поверхности (чем выше чувствительность, тем дальше заметит), а для датчика линии - контрастность этой самой линии на остальном фоне поля.
Широко применяются в автоматизации, охране, робототехнике, аттракционах и так далее.
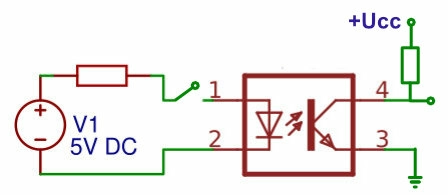
В качестве излучателя используется обычный по своим свойствам светодиод. Внутреннее сопротивление его стремится к нулю, а поэтому без резистора, ограничивающего ток, он очень быстро перегорит.
Каким образом считывать показание с выхода оптрона?
Так же как с обычной кнопки - или периодическим опросом, или через аппаратное прерывание.
Есть ли “дребезг” на выходе с оптрона?
Теоретически нет, обычный оптрон просто не успеет его передать, а цифровой обеспечен встроенным гистерезисом. Однако на практике такое возможно, например, когда край отслеживаемого щелевым оптроном объекта неровный и движется достаточно медленно. В этом случае в переходный период может произойти некоторое “мерцание”, когда светодиод будет то включаться, то выключаться. Подавлять нежелательный эффект можно так же, как “дребезг” кнопки, проще всего программно, при помощи подобранных - в зависимости от ситуации - пауз между опросами.
Можно ли обмануть датчик движения на оптопаре при помощи зеркала, как это показывают в некоторых фильмах?
Теоретически можно, но при помощи системы из четырех как минимум зеркал, которые “поднимут” луч, образуя арку для злоумышленника. Практически же воспользоваться такой системой почти невозможно, малейшее колебание - и луч собьется. Однако можно временно засветить приемник другим лазером, если устройство не оборудовано способом борьбы с такого рода обманом.
Можно ли при помощи датчика препятствий узнать расстояние до преграды?
Нет, датчик возвращает бинарный сигнал - либо “есть препятствие”, либо “нет препятствий”. Однако можно использовать несколько заранее отрегулированных на разное расстояние датчиков и получать примерную информацию о положении препятствия. Иногда это удобно, например, чтобы предварительно сбросить скорость робота, манипулятора, конвейера перед окончательной точной остановкой.
Сколько нужно датчиков черной линии для робота?
Достаточно одного, но двигаться робот будет медленно, регулярно теряя и ища линию. Два обеспечат довольно устойчивое распознавание линии и более-менее уверенное движение. Четыре и более обеспечат навигацию робота гоночными возможностями, если для этого есть остальные возможности.
- Принцип работы
- Разновидности
- Примеры
- Вывод
- FAQ
Принцип работы
Как нетрудно догадаться из названия, устройство состоит из пары элементов, как-то связанных с оптикой. Так и есть, первый - излучатель света, второй - приемник. В качестве излучателя может быть использован любой источник из видимого или невидимого спектра: светодиод, лазер, восковая свеча, да хоть лампочка Ильича. В качестве приемника: фототранзистор, фотодиод, реже камера. Оптопара может быть выполнена в качестве цельного, готового к применению устройства, содержащего в одном корпусе оба элемента, в таком случае оно еще известно под общим названием “оптрон”. Реже оптопара может представлять собой два отдельных устройства, которые взаимодействуют между собой на расстоянии без физического контакта. Несмотря на разницу в исполнениях, принцип работы у них одинаков - излучатель передает сигнал, приемник принимает. Для чего это нужно и как это использовать на практике, рассмотрим далее.Разновидности
Назначений такому дуэту можно придумать массу, и эта масса разделяется, по принципу работы, на три вида. В первом случае Приемник фиксирует сам факт наличия сигнала на излучателе. Светит ему что-то или нет?
Во втором случае излучатель светит всегда, но мы контролируем наличие или отсутствие препятствий между источником и приемником.

Третий тип консольный. Излучатель не светит непосредственно на приемник, но приемник все равно в состоянии уловить этот свет, если тот удачно отразится от какой-либо поверхности.


Примеры
Оптроны конструктивно подразделяются на те же три вида, в зависимости от описанных выше принципов: закрытый, щелевой и открытый.Закрытый оптрон полностью соответствует своему названию и представляет собой “черный ящик” со входом и выходом.



Показательным примером использования закрытого оптрона является управление реле. Каким бы ни было напряжение на силовой части, на сигнальную сторону никаких вредных воздействий не будет, даже если само реле сгорит от перегрузки или короткого замыкания.

Более совершенным подвидом закрытых оптронов являются их цифровые братья. Они сразу предоставляют готовый сигнал на выходе, толерантны к большим диапазонам напряжений, уже имеют на борту элементы бинарной логики и намного быстрее реагируют. Время срабатывания исчисляется наносекундам, в отличие от микросекунд у традиционных вариантов. Иногда это преимущество очень существенно, особенно если речь идет скоростной передачи данных.







Кроме этого, важным отличием открытых оптронов от предыдущих видов является возможность регулировки чувствительности приемника. Если у закрытых и щелевых все просто: свет либо есть, либо его нет, то для открытых его может быть много или мало, а условную границу того, что считать “белым”, а что “черным”, можно слегка подкручивать вручную. Причем делать это в прямом смысле, вращая потенциометр отверткой. Для датчика препятствий физически это означает расстояние до поверхности (чем выше чувствительность, тем дальше заметит), а для датчика линии - контрастность этой самой линии на остальном фоне поля.
Широко применяются в автоматизации, охране, робототехнике, аттракционах и так далее.
Выводы
Оптопара - яркий, удачный и классический пример симбиоза двух элементарных компонентов электроники. Простое сочетание позволило получить надежное устройство с широким спектром применения:- датчики движения,
- датчики препятствия,
- датчики положения,
- энкодеры,
- гальваническая развязка в массе устройств,
- многое другое.
FAQ
Зачем нужен резистор на входе оптрона?В качестве излучателя используется обычный по своим свойствам светодиод. Внутреннее сопротивление его стремится к нулю, а поэтому без резистора, ограничивающего ток, он очень быстро перегорит.
Каким образом считывать показание с выхода оптрона?
Так же как с обычной кнопки - или периодическим опросом, или через аппаратное прерывание.
Есть ли “дребезг” на выходе с оптрона?
Теоретически нет, обычный оптрон просто не успеет его передать, а цифровой обеспечен встроенным гистерезисом. Однако на практике такое возможно, например, когда край отслеживаемого щелевым оптроном объекта неровный и движется достаточно медленно. В этом случае в переходный период может произойти некоторое “мерцание”, когда светодиод будет то включаться, то выключаться. Подавлять нежелательный эффект можно так же, как “дребезг” кнопки, проще всего программно, при помощи подобранных - в зависимости от ситуации - пауз между опросами.
Можно ли обмануть датчик движения на оптопаре при помощи зеркала, как это показывают в некоторых фильмах?
Теоретически можно, но при помощи системы из четырех как минимум зеркал, которые “поднимут” луч, образуя арку для злоумышленника. Практически же воспользоваться такой системой почти невозможно, малейшее колебание - и луч собьется. Однако можно временно засветить приемник другим лазером, если устройство не оборудовано способом борьбы с такого рода обманом.
Можно ли при помощи датчика препятствий узнать расстояние до преграды?
Нет, датчик возвращает бинарный сигнал - либо “есть препятствие”, либо “нет препятствий”. Однако можно использовать несколько заранее отрегулированных на разное расстояние датчиков и получать примерную информацию о положении препятствия. Иногда это удобно, например, чтобы предварительно сбросить скорость робота, манипулятора, конвейера перед окончательной точной остановкой.
Сколько нужно датчиков черной линии для робота?
Достаточно одного, но двигаться робот будет медленно, регулярно теряя и ища линию. Два обеспечат довольно устойчивое распознавание линии и более-менее уверенное движение. Четыре и более обеспечат навигацию робота гоночными возможностями, если для этого есть остальные возможности.
Это интересно
- Комментарии
Загрузка комментариев...






