Диоды
Содержание
- Принцип работы
- Разновидности, назначения и примеры использования
- Вывод
- FAQ
Принцип работы
Диод - один из элементарных “кирпичиков”, который несмотря на свою принципиальную простоту, настолько разнообразен в исполнении и широте применения, что без него не обходится ни одно из электронных устройств, даже радикально отличающихся друг от друга. А профессия у него самая понятная: пропускать ток в одном направлении и не пропускать в обратном, на этом все. Широкими мазками устройство диода можно объяснить и изобразить так:
Разновидности и назначения
Простота принципа работы вовсе не значит, что диод - узкоспециализированное устройство, годное лишь показать пару трюков. Вот не самая полная таблица разновидностей диодов по конструктивному типу.
Диод универсальный. Он же диод выпрямительный. Исполняет титульные диодные обязанности: пропускает сквозь себя ток только в одном направлении. В современном виде для маломощной электроники выглядит как одноцветный (чаще - черный) цилиндр с поперечной полосой со стороны катода.




Защитная функция. Тут все понятно, не допускает случайной переполюсовки, то есть при подключении питания “наоборот” дальнейшая схема не пострадает.


Диодный детектор. В симбиозе с конденсатором способен выделить сигналы определенной частоты из общей массы, что позволяет принимать амплитудно-модулированные данные. Нашел широкое применение в аналоговых радиоприемниках и телевизорах.
Одним из побочных свойств диода является падение напряжения при его использовании. Для универсального типа оно составляет порядка 0,7-0,8 В, что очень важно учитывать при проектировании. Кроме очевидных минусов, в этом можно заметить и некоторые возможности. Часть особо капризных электронных модулей требует нестандартное питание, к примеру широко известный SIMM800L, способный превратить Ардуино в сотовый телефон. Согласно даташиту напряжение на входе должно составлять от 3,4 до 4,4 В, при меньшем его работа будет нестабильна, при большем начнет перегреваться и, в конечном итоге, сгорит. Проще всего, хоть и не лучше, уменьшить вольтаж добавлением в цепь питания диода или двух, что обеспечит безопасное напряжение. То же самое рекомендуется сделать с сигнальным входом RX.
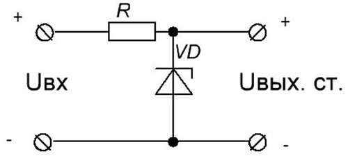
Стабилитрон. Он же диод Зенера, по фамилии изобретателя.


Для приведенного выше примера с SIMM800L данный способ добывания правильного вольтажа предпочтительней, так как напряжение будет гораздо стабильнее и точнее.
Диод Шоттки. Еще одна авторская разновидность, известная также как диод сигнальный. Внешне от универсального ничем не отличается, а на схемах изображается с характерными завитками.

Благодаря своим свойствам диоды Шоттке успешно используются в блоках питания, импульсных стабилизаторах напряжения, в передатчиках и приемниках цифровых сигналов, и прочих устройствах, где важна скорость и нежелательна большая потеря вольтажа.
Светодиод. Очень популярный электронный компонент. Применяется как источник света (в том числе в невидимых диапазонах), так и для индикации чего угодно. Может похвастаться очень большим количеством разновидностей по форме, размеру, мощности, яркости, цвету и так далее.


Пример подключения трехцветного светодиода с общим катодом.




Вывод
Диод - многоликий и многофункциональный элемент электроники, решающий ряд разнообразных задач - от защиты электронных схем до генерации тока из солнечного света. Здесь мы рассмотрели лишь малую часть разновидностей диодов и их назначений. Знание возможностей и различий этих простых, но важных устройств и умение применять их в реальных электронных схемах незаменимо для каждого DIY-мастера.FAQ
Вопрос: можно ли использовать стабилитрон в качестве обычного диода?Можно, если напряжение заведомо не превышает установленного в этом стабилитроне, но лучше использовать его по назначению.
Вопрос: если светодиод может сгореть при неправильной полярности, как можно заранее определить где у него плюс, где минус?
У нового светодиода ножки разной длины, длинная - это плюс (анод). Если же кто-то заранее откусил ножки, можно определить полярность по внешнему виду внутренних электродов, анод намного меньше катода. Также, по слухам, корпус светодиода со стороны анода имеет более выступающую “юбочку”, но это не точно.
Вопрос: Как проверить работоспособность универсального диода?
С помощью любого мультиметра. Включаем его в режиме омметра, соединяем красный щуп с анодом, черный с катодом, прибор должен показывать ноль. Если перекинуть щупы наоборот, прибор покажет разрыв цепи (OL в цифровых мультиметрах). Если покажет как-то иначе, значит диод испорчен.
Вопрос: какова скорость “включения” и “выключения” светодиодов?
Зависит от типа светодиода. Для обычных, которые чаще всего используются в DIY-проектах, это время составляет сотню-другую наносекунд, то есть довольно быстро, может использоваться, к примеру, для анимации и передачи данных.
Это интересно
- Комментарии
Загрузка комментариев...






