Преобразователи напряжения и блоки питания
Содержание
Благодаря функции “выпрямления” напряжения в технической литературе применительно к блокам питания можно встретить сокращение AC/DC, что означает alternating current/direct current «переменный ток/постоянный ток».
Существует еще одна не очень явная характеристика блока питания, о которой редко пишут производители и не всегда знают начинающие DIY-мастера. Стабильность выходного напряжения. Если взглянуть на линию выходного напряжения большого количества БП через осциллограф, выяснится, что не у всех она идеально ровная, как того хотелось бы. Иногда она напоминает пилу, иногда волны, иногда относительная поверхность прерывается всплесками как вверх, так и вниз.
Конструктивно делятся на трансформаторные и импульсные, у каждого вида имеются свои плюсы и минусы, и, соответственно, свои адепты и противники. Если коротко - трансформаторные тяжелые, надежные и стабильные, импульсные легкие, современные, но могут грешить нестабильностью напряжения, если собраны некачественно.
На блоках питания AC/DC здесь останавливаться подробно не будем, вряд ли кто-то будет мастерить их самостоятельно при большом выборе готовых. С точки зрения безопасности заниматься этим тоже не стоит. Важно лишь обращать внимание на заявленные характеристики, оставляя место для здорового недоверия сомнительным брендам.
Очень часто для одного электронного устройства требуется несколько напряжений разного уровня одновременно. Логическая часть, а именно контроллер или процессор, как правило работают на 5 или 3,3 вольтах, исполнительные устройства от 5 и выше, обычно 12, 24 и более. Аккумуляторы и батарейки, применяемые в автономных гаджетах, тоже выдают широкий диапазон напряжений, чаще всего от “ниже, чем надо” 1,5 - 2,7 В, до “выше, чем надо” 12 - 24 В, да еще и меняющийся в реальном времени в зависимости от степени заряда. Да, существуют блоки питания - многостаночники, способные выдавать разные уровни напряжения сразу, яркий пример - компьютерный БП, но для большинства устройств такой монстр не требуется, да и он не всегда подойдет, задачи бывают гораздо разнообразнее его возможностей. Чтобы обеспечить универсальность и не плодить дорогие блоки питания, разработчики электроники прибегают к так называемым преобразователям напряжения (ПН), которые легко обеспечивают разноуровневое питание в рамках одного устройства.
Конструкция, размер и внешний вид ПН могут отличаться очень сильно в зависимости от производителя и характеристик, это может быть и маленькая микросхема, и большая коробка со множеством деталей.
Направление преобразования - понижение или повышение. В реальных задачах требуется и то, и другое.
Диапазон входящих напряжений, какое-то одно с небольшой погрешностью или различающиеся в разы и десятки раз.
Регулируемость выходного напряжения, одно фиксированное или с возможностью настройки в некоторых пределах.
Рассмотрим несколько вариантов на примерах.
Самый простой, но достаточно универсальный ПН, так называемый “линейный преобразователь”, представляет собой одну радиодеталь в корпусе ТО-220. По сути, это саморегулирующийся резистивный делитель напряжения со всеми своими достоинствами и недостатками.
В качестве примера линейного преобразователя приведем LM7805, весьма востребованный в DIY-проектах.
Для большей мощности и меньшей температуры следует применять импульсные DC/DC преобразователи, которые представляют собой сборку из нескольких компонентов. В зависимости от конструкции, могут сочетать в себе все перечисленные выше прелести, а именно быть регулируемыми и работать как на повышение, так и на понижение, нужно лишь подобрать правильные комплектующие.
Понижающий:
Существуют даже DC/DC, которые могут как повышать, так и понижать напряжение, но лучше такой экзотикой без острой необходимости не увлекаться.
Пара слов о регулируемости. Если вы точно знаете номинал напряжения, который вам нужен, выбирайте преобразователь с фиксированным выходом. Как бы точно вы ни настроили переменный резистор, напряжение на выходе не будет идеально стабильным, оно будет зависеть от влажности и температуры окружающей среды и меняться со временем, как правило, в меньшую сторону. Придется периодически проверять и настраивать его снова. И помните об опасности дрогнувшей руки! Одно неверное резкое движение и повышенное напряжение сожжет все, что находится ниже по течению. Используйте переменный преобразователь только там, где напряжение требуется разное в разных ситуациях или когда не смогли найти нужного фиксированного преобразователя.
Итак, линейные преобразователи используем там, где нужен небольшой ток и расходы. В остальных случаях однозначно применяем импульсные.
Возможность получить желаемое напряжение с помощью стабилитрона, он же диод Зенера, оставляем за скобками данной статьи. Сила тока, обеспечиваемая таким способом, способна разве что поддерживать небольшой сигнальный светодиод. Назначение стабилитронов в другом: получение точного напряжения в качестве опорного или защита схемы от напряжения выше его номинала. Более подробно о стабилитронах поговорим в другой статье.
Самое, на наш взгляд, интересное и полезное устройство, что-то вроде блока бесперебойного питания. У него имеется вход внешнего питания, выход на потребителя и разъем для подключения аккумулятора. Задача такого комбайна - обеспечивать потребителя стабильным питанием вне зависимости от внешних обстоятельств.
Незаменимое приспособление для изделий, которые не могут позволить себе выключаться внезапно, например системы охраны, медицинские приборы, устройства связи, наблюдения и прочие, которым нельзя доверяться внешнему питанию.
В том же качестве можно упомянуть платы для работы с солнечными батареями, драйверы двигателей автономных роботов, машин, квадрокоптеров и так далее, все они нуждаются в стабильном питании с заданным уровнем напряжения.
Разновидностей подобных комбинированных устройств, где в том или ином виде присутствует преобразователь напряжения, довольно много, но основные отличия все те же, уже знакомые нам: мощность, напряжение на выходе и напряжение на входе. Состав же дополнительных функций варьируется в зависимости от назначения.
Лучше всего осциллографом, для этого достаточно самого простого. Проверять следует под рабочей нагрузкой. Тестер тоже может показать, как “плавает” напряжение, если оно делает это достаточно медленно, “скачки” тоже могут отмечаться в виде небольших изменений показания. А еще, в случае подозрений, можно взять блок питания помощней и понадежней, если хотя бы часть симптомов уйдет, дело однозначно в блоке питания.
Нужно ли брать блок питания с запасом мощности?
Рекомендуется, особенно если в устройстве задействована индуктивная нагрузка, которая потребляет повышенный ток при запуске, например, мотор. Если при пуске мощного потребителя контроллер уходит в перезагрузку, возьмите блок питания помощней.
Как узнать о степени разрядки аккумулятора, если устройство питается от него через повышающий преобразователь?
Подключить плюс непосредственно от аккумулятора на аналоговый вход контроллера. Таким образом можно измерять напряжение, вычислять остаток заряда и рассчитывать примерное время до отключения. Это полезно для сигнализирования о проблеме до того как она случится.
Устраняет ли преобразователь напряжения скачки и пульсацию напряжения с блока питания?
Зависит от конструкции, может устранять полностью, частично или вообще просто их повторять в пропорции. Убедиться можно только попробовав конкретный преобразователь.
Почему производителем не сообщается о стабильности питания у БП и ПН?
На некоторых сообщается. Например, компьютерные блоки питания по каждому каналу имеют свой допуск по точности, как правило не более 1-2%, некоторые еще меньше. Но большинство устройств такую информацию не публикует, приходится доверять и проверять.
- Назначение блоков питания и преобразователей напряжения,
- Разновидности преобразователей напряжения,
- Комбинированные устройства,
- Вывод,
- FAQ.
Назначение блоков питания и преобразователей напряжения
К досаде разработчиков и к счастью для пользователей, все электронные компоненты, за редким исключением, особенно такие нежные как микроконтроллеры и процессоры, не работают напрямую от переменного тока напряжением 220 В, которым нас щедро снабжает любая розетка в любом жилом помещении. Задача превратить переменное напряжение в постоянное, а также понизить (а иногда и повысить) напряжение до готового к применению уровня ложится на так называемые блоки питания (БП), всем знакомые электронные устройства, которые одним концом подключаются к упомянутой розетке, а другим к потребителю, то есть к нашему телефону, ноутбуку, или драгоценному DIY-изделию.Благодаря функции “выпрямления” напряжения в технической литературе применительно к блокам питания можно встретить сокращение AC/DC, что означает alternating current/direct current «переменный ток/постоянный ток».


Существует еще одна не очень явная характеристика блока питания, о которой редко пишут производители и не всегда знают начинающие DIY-мастера. Стабильность выходного напряжения. Если взглянуть на линию выходного напряжения большого количества БП через осциллограф, выяснится, что не у всех она идеально ровная, как того хотелось бы. Иногда она напоминает пилу, иногда волны, иногда относительная поверхность прерывается всплесками как вверх, так и вниз.

Конструктивно делятся на трансформаторные и импульсные, у каждого вида имеются свои плюсы и минусы, и, соответственно, свои адепты и противники. Если коротко - трансформаторные тяжелые, надежные и стабильные, импульсные легкие, современные, но могут грешить нестабильностью напряжения, если собраны некачественно.
На блоках питания AC/DC здесь останавливаться подробно не будем, вряд ли кто-то будет мастерить их самостоятельно при большом выборе готовых. С точки зрения безопасности заниматься этим тоже не стоит. Важно лишь обращать внимание на заявленные характеристики, оставляя место для здорового недоверия сомнительным брендам.
Очень часто для одного электронного устройства требуется несколько напряжений разного уровня одновременно. Логическая часть, а именно контроллер или процессор, как правило работают на 5 или 3,3 вольтах, исполнительные устройства от 5 и выше, обычно 12, 24 и более. Аккумуляторы и батарейки, применяемые в автономных гаджетах, тоже выдают широкий диапазон напряжений, чаще всего от “ниже, чем надо” 1,5 - 2,7 В, до “выше, чем надо” 12 - 24 В, да еще и меняющийся в реальном времени в зависимости от степени заряда. Да, существуют блоки питания - многостаночники, способные выдавать разные уровни напряжения сразу, яркий пример - компьютерный БП, но для большинства устройств такой монстр не требуется, да и он не всегда подойдет, задачи бывают гораздо разнообразнее его возможностей. Чтобы обеспечить универсальность и не плодить дорогие блоки питания, разработчики электроники прибегают к так называемым преобразователям напряжения (ПН), которые легко обеспечивают разноуровневое питание в рамках одного устройства.
Конструкция, размер и внешний вид ПН могут отличаться очень сильно в зависимости от производителя и характеристик, это может быть и маленькая микросхема, и большая коробка со множеством деталей.

Разновидности преобразователей напряжения
Первое отличие, приходящее на ум - входное и выходное напряжения преобразователя. Действительно, это одна из его основных характеристик. Второе отличие, как и у БП, - мощность. Вот уже определились с двумя основными параметрами. Перечислим остальные.Направление преобразования - понижение или повышение. В реальных задачах требуется и то, и другое.
Диапазон входящих напряжений, какое-то одно с небольшой погрешностью или различающиеся в разы и десятки раз.
Регулируемость выходного напряжения, одно фиксированное или с возможностью настройки в некоторых пределах.
Рассмотрим несколько вариантов на примерах.
Самый простой, но достаточно универсальный ПН, так называемый “линейный преобразователь”, представляет собой одну радиодеталь в корпусе ТО-220. По сути, это саморегулирующийся резистивный делитель напряжения со всеми своими достоинствами и недостатками.
В качестве примера линейного преобразователя приведем LM7805, весьма востребованный в DIY-проектах.



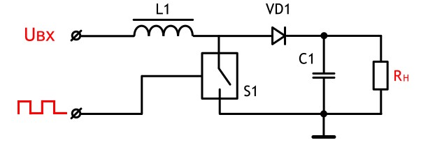
Для большей мощности и меньшей температуры следует применять импульсные DC/DC преобразователи, которые представляют собой сборку из нескольких компонентов. В зависимости от конструкции, могут сочетать в себе все перечисленные выше прелести, а именно быть регулируемыми и работать как на повышение, так и на понижение, нужно лишь подобрать правильные комплектующие.
Понижающий:



Существуют даже DC/DC, которые могут как повышать, так и понижать напряжение, но лучше такой экзотикой без острой необходимости не увлекаться.
Пара слов о регулируемости. Если вы точно знаете номинал напряжения, который вам нужен, выбирайте преобразователь с фиксированным выходом. Как бы точно вы ни настроили переменный резистор, напряжение на выходе не будет идеально стабильным, оно будет зависеть от влажности и температуры окружающей среды и меняться со временем, как правило, в меньшую сторону. Придется периодически проверять и настраивать его снова. И помните об опасности дрогнувшей руки! Одно неверное резкое движение и повышенное напряжение сожжет все, что находится ниже по течению. Используйте переменный преобразователь только там, где напряжение требуется разное в разных ситуациях или когда не смогли найти нужного фиксированного преобразователя.
Итак, линейные преобразователи используем там, где нужен небольшой ток и расходы. В остальных случаях однозначно применяем импульсные.
Возможность получить желаемое напряжение с помощью стабилитрона, он же диод Зенера, оставляем за скобками данной статьи. Сила тока, обеспечиваемая таким способом, способна разве что поддерживать небольшой сигнальный светодиод. Назначение стабилитронов в другом: получение точного напряжения в качестве опорного или защита схемы от напряжения выше его номинала. Более подробно о стабилитронах поговорим в другой статье.
Комбинированные устройства
Раз уж говорим о преобразователях напряжения, немного затронем ряд интересных устройств, которые можно отнести к преобразователям напряжения частично. То есть ПН является лишь их компонентом, выполняющим одну из функций.Самое, на наш взгляд, интересное и полезное устройство, что-то вроде блока бесперебойного питания. У него имеется вход внешнего питания, выход на потребителя и разъем для подключения аккумулятора. Задача такого комбайна - обеспечивать потребителя стабильным питанием вне зависимости от внешних обстоятельств.

Незаменимое приспособление для изделий, которые не могут позволить себе выключаться внезапно, например системы охраны, медицинские приборы, устройства связи, наблюдения и прочие, которым нельзя доверяться внешнему питанию.
В том же качестве можно упомянуть платы для работы с солнечными батареями, драйверы двигателей автономных роботов, машин, квадрокоптеров и так далее, все они нуждаются в стабильном питании с заданным уровнем напряжения.
Разновидностей подобных комбинированных устройств, где в том или ином виде присутствует преобразователь напряжения, довольно много, но основные отличия все те же, уже знакомые нам: мощность, напряжение на выходе и напряжение на входе. Состав же дополнительных функций варьируется в зависимости от назначения.

Вывод
Блоки питания и преобразователи напряжения - неотъемлемая и важнейшая часть любого DIY-проекта. Обеспечить правильным и достаточным питанием электронное устройство - задача, значение которой нельзя переоценить. Выбор надежного и безопасного блока питания или преобразователя - первый и основной шаг в создании стабильно работающего устройства. Разбираться в них и уметь выбирать наиболее подходящие должен каждый уважающий себя DIY-мастер.FAQ
Как проверить блок питания на стабильность напряжения?Лучше всего осциллографом, для этого достаточно самого простого. Проверять следует под рабочей нагрузкой. Тестер тоже может показать, как “плавает” напряжение, если оно делает это достаточно медленно, “скачки” тоже могут отмечаться в виде небольших изменений показания. А еще, в случае подозрений, можно взять блок питания помощней и понадежней, если хотя бы часть симптомов уйдет, дело однозначно в блоке питания.
Нужно ли брать блок питания с запасом мощности?
Рекомендуется, особенно если в устройстве задействована индуктивная нагрузка, которая потребляет повышенный ток при запуске, например, мотор. Если при пуске мощного потребителя контроллер уходит в перезагрузку, возьмите блок питания помощней.
Как узнать о степени разрядки аккумулятора, если устройство питается от него через повышающий преобразователь?
Подключить плюс непосредственно от аккумулятора на аналоговый вход контроллера. Таким образом можно измерять напряжение, вычислять остаток заряда и рассчитывать примерное время до отключения. Это полезно для сигнализирования о проблеме до того как она случится.
Устраняет ли преобразователь напряжения скачки и пульсацию напряжения с блока питания?
Зависит от конструкции, может устранять полностью, частично или вообще просто их повторять в пропорции. Убедиться можно только попробовав конкретный преобразователь.
Почему производителем не сообщается о стабильности питания у БП и ПН?
На некоторых сообщается. Например, компьютерные блоки питания по каждому каналу имеют свой допуск по точности, как правило не более 1-2%, некоторые еще меньше. Но большинство устройств такую информацию не публикует, приходится доверять и проверять.
Товары из статьи
Это интересно
- Комментарии
Загрузка комментариев...

















